流量儀表系列
- 液體流量計
- 空氣流量計
- 蒸汽流量計
- 孔板流量計
- V錐流量計
- 一體化孔板流量計
- 電磁流量計
- 渦街流量計
- 彎管流量計
- 金屬管浮子流量計
- 超聲波流量計
- 阿牛巴流量計
- 威力巴流量計
- 旋進旋渦流量計
- 渦輪流量計
- 玻璃轉子流量計
- 橢圓齒輪流量計
- 平衡流量計
- 楔形流量計
- 靶式流量計
- 熱式氣體質量流量計
- 旋翼式流量計
- 噴嘴氣體流量計
- 噴嘴流量計
- 三閥組
液位儀表系列
江蘇恒大儀表有限公司
聯系人:楊經理
手機:13915187193
電話:0517-86500226
傳真:0517-86800636
郵箱:jshdyb@163.com
地址:江蘇省金湖縣工業園區
HD-3351L法蘭式液位變送器
日期:2020-11-29 點擊量:
HD3351LT型法蘭式液位變送器可對各種容器進行液位、密度的精度測量,有平法蘭和插入式法蘭兩種,適用于高粘度介質或懸浮液體測量。
HD3351LT型法蘭式液位變送器的安裝法蘭標準按ANSI,法蘭有3"和4"規格,法蘭等級為150LB(2.5MPa)及300LB(5.0MPa),法蘭安裝尺寸見下圖表。如用戶采用GB9116-88標準,則DN=80、100、PN=2MPa請注明。
因隔離膜片很薄,是耐腐蝕的薄弱環節,故接液膜片材料有316L、哈氏C-276、蒙耐爾、鉭等,可適用于不同情況的防腐要求,可根據被測介質濃度、濕度、壓力等參數適合附錄中給出耐腐蝕參考表進行合理選擇。如腐蝕性強的場合可選擇防腐結構變送器。
用戶不注明時以3"150LB安裝法蘭及接液膜片材料316L 供貨。
HD3351LT型法蘭式液位變送器的安裝法蘭標準按ANSI,法蘭有3"和4"規格,法蘭等級為150LB(2.5MPa)及300LB(5.0MPa),法蘭安裝尺寸見下圖表。如用戶采用GB9116-88標準,則DN=80、100、PN=2MPa請注明。
因隔離膜片很薄,是耐腐蝕的薄弱環節,故接液膜片材料有316L、哈氏C-276、蒙耐爾、鉭等,可適用于不同情況的防腐要求,可根據被測介質濃度、濕度、壓力等參數適合附錄中給出耐腐蝕參考表進行合理選擇。如腐蝕性強的場合可選擇防腐結構變送器。
用戶不注明時以3"150LB安裝法蘭及接液膜片材料316L 供貨。
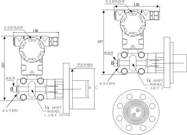
HD3351LT外型尺寸

HD3351LT型的安裝法蘭標準按ANSI,法蘭有3〃和4〃規格,法蘭等級分為
150LB(2.5MPa)及300LB
(5.0MPa),法蘭安裝尺寸見下圖表。如用戶采用GB9116-88標準,則DN=80、100、
PN=2MPa請注明。接液膜片材料有316L、哈氏C-276、蒙耐爾、鉭
等。用戶不注明,時以3〃150LB安裝法蘭及接液膜片材料31供貨。
150LB(2.5MPa)及300LB
(5.0MPa),法蘭安裝尺寸見下圖表。如用戶采用GB9116-88標準,則DN=80、100、
PN=2MPa請注明。接液膜片材料有316L、哈氏C-276、蒙耐爾、鉭
等。用戶不注明,時以3〃150LB安裝法蘭及接液膜片材料31供貨。
外型尺寸圖
|
法蘭尺寸
|
螺栓孔
|
|||||||
|
尺寸
|
規格
|
直徑
|
A
|
B
|
C
|
數目n
|
直徑d
|
分布直徑d1
|
|
3"
|
1501b
|
190
|
30
|
66
|
127
|
4
|
19
|
152
|
|
4"
|
1501b
|
228
|
30
|
89
|
157
|
8
|
19
|
190
|
|
3"
|
3001b
|
210
|
35
|
66
|
127
|
8
|
22
|
168
|
|
4"
|
3001b
|
254
|
38
|
89
|
157
|
8
|
22
|
200
|
測量范圍
差壓:0-6.2-690KPa
靜壓:2.5MPa
差壓:0-6.2-690KPa
靜壓:2.5MPa
型號命名方式
|
HD3351LT
|
(zui大工作壓力2.5MPa)
|
|||||||||||
|
|
4
|
0-4~40KPa
|
||||||||||
|
5
|
0-40~250KPa
|
|||||||||||
|
6
|
0-0.16~1.0MPa
|
|||||||||||
|
|
代碼
|
輸出
|
||||||||||
|
N
|
普通模擬型:(輸出:4~20mA)
|
|||||||||||
|
G
|
常規智能型:(輸出:4~20mA)
|
|||||||||||
|
S
|
標準智能型:(輸出:4~20mA帶HART總線協議)
|
|||||||||||
|
Z
|
數字化智能型:(輸出:4~20mA全數字化傳感器,自帶通訊鍵盤)
|
|||||||||||
|
|
代碼
|
公稱直徑尺寸(mm)
|
插入筒長度(mm)
|
高壓側隔膜片材料
|
||||||||
|
A0
|
80
|
平
|
316LSST
|
|||||||||
|
A2
|
80
|
50
|
316LSST
|
|||||||||
|
A4
|
80
|
100
|
316LSST
|
|||||||||
|
A6
|
80
|
150
|
316LSST
|
|||||||||
|
B0
|
100
|
平
|
316LSST
|
|||||||||
|
B2
|
100
|
50
|
316LSST
|
|||||||||
|
B4
|
100
|
100
|
316LSST
|
|||||||||
|
B6
|
100
|
150
|
316LSST
|
|||||||||
|
C0
|
80
|
平
|
哈氏C-276
|
|||||||||
|
C2
|
80
|
50
|
哈氏C-276
|
|||||||||
|
C4
|
80
|
100
|
哈氏C-276
|
|||||||||
|
C6
|
80
|
150
|
哈氏C-276
|
|||||||||
|
D0
|
100
|
平
|
哈氏C-276
|
|||||||||
|
D2
|
100
|
50
|
哈氏C-276
|
|||||||||
|
D4
|
100
|
100
|
哈氏C-276
|
|||||||||
|
D6
|
100
|
150
|
哈氏C-276
|
|||||||||
|
E0
|
80
|
平
|
鉭
|
|||||||||
|
F0
|
100
|
平
|
鉭
|
|||||||||
|
|
代碼
|
安裝法蘭
|
|
|||||||||
|
A
|
3〞150lb
|
碳鋼鍍鋅
|
||||||||||
|
B
|
4〞150lb
|
|||||||||||
|
C
|
3〞300lb
|
|||||||||||
|
D
|
4〞300lb
|
|||||||||||
|
|
代碼
|
結 構 材 料
|
||||||||||
|
法蘭和接頭
|
排氣/排液閥
|
隔離膜片
|
灌充液體
|
|||||||||
|
22
|
316不銹鋼
|
316不銹鋼
|
316不銹鋼
|
硅油
|
||||||||
|
23
|
316不銹鋼
|
316不銹鋼
|
哈氏合金C
|
|||||||||
|
24
|
316不銹鋼
|
316不銹鋼
|
蒙乃爾
|
|||||||||
|
25
|
316不銹鋼
|
316不銹鋼
|
鉭
|
|||||||||
|
33
|
哈氏合金C
|
哈氏合金C
|
哈氏合金C
|
|||||||||
|
35
|
哈氏合金C
|
哈氏合金C
|
鉭
|
|||||||||
|
|
代碼
|
選項
|
||||||||||
|
M1
|
0-100%線性指示表
|
|||||||||||
|
M2
|
LED數字顯示表
|
|||||||||||
|
M3
|
LCD顯示器
|
|||||||||||
|
C0
|
1/2-14NPT錐管內螺紋接頭
|
|||||||||||
|
C1
|
1/2-14NPT引壓接頭后部焊接引壓管Ф14
|
|||||||||||
|
C2
|
丁字形螺紋接頭M20×1.5
|
|||||||||||
|
d
|
隔爆型dⅡBT4
|
|||||||||||
|
i
|
本安型iaⅡCT6
|
|||||||||||
|
|
|
|
|
|
|
|
||||||
定貨須知
1)變送器型號可根據選型規格表按需要確定。
2)選型規格表中的數字、符號必須填寫清楚、準確無誤。
3)如有正負遷移,必須注明遷移量數值。
4)差壓變送器如需配三閥組,需另行注明。
5)選購遠傳變送器時,還應根據不同遠傳法蘭選型表按需確定。
6)如果遠傳變送器要在真空場合和高溫場合下使用,訂貨時要特殊標明。
7)接觸介質O形密封環的材料有丁橡膠和氟橡膠等。
8)無特殊注明,出廠時灌充液為硅油
上一篇:HD-KR09射頻電容液位變送器
下一篇:HD-UQD-91系列浮球液位變送器
相關新聞
- 2020-11-29江蘇浮球液位變送器價格
- 2020-11-29江蘇浮球液位變送器廠家
- 2020-11-29江蘇省浮球液位變送器價格
- 2020-11-29HD-UZD-628靜壓式液位變送器廠家
- 2020-11-29HD-UZD-628淮安靜壓式液位變送器廠家




